为加强食品质量的监管,确保流通和消费领域食品安全。根据《中华人民共和国食品安全法》及其实施条例、《食品安全抽样检验管理办法》等有关规定,结合甘肃省市场监管局有关食品抽检检测计划部署。甘南州市场监督管理局组织开展了餐饮食品(含现制现售食品)、粮食加工品、复用餐饮具、食用农产品等州级食品安全监督抽检工作。现将2022年第6期食品安全监督抽检信息通报如下:
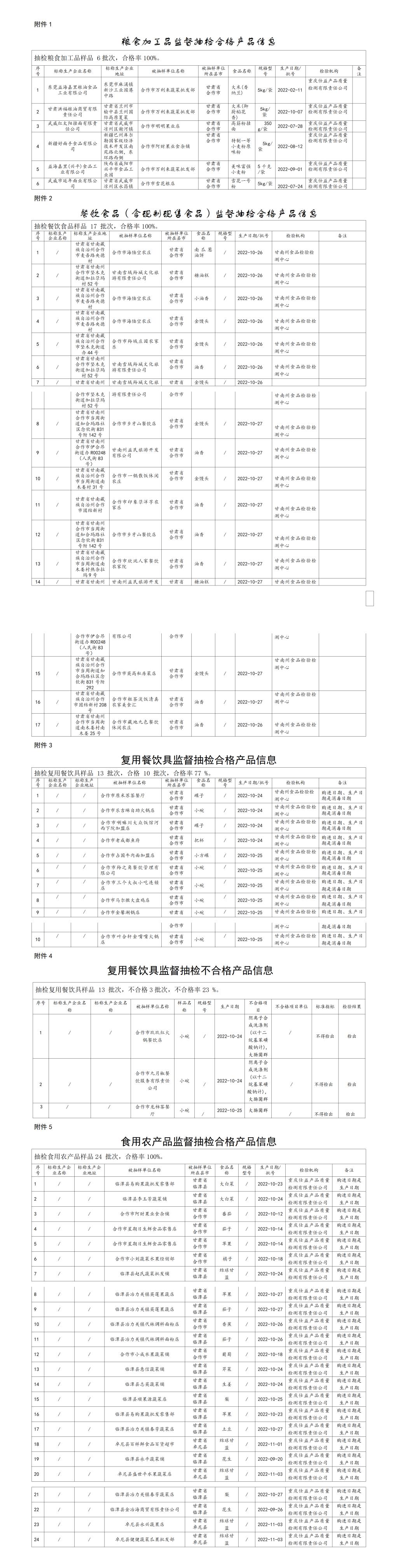
此次在全州各县市食品安全监督抽检的粮食加工品、餐饮食品(含现制现售食品)、复用餐饮具、食用农产品等重点突出重金属、生物毒素、阴离子合成洗涤剂(以十二烷基苯磺酸钠计)和大肠菌群,山梨酸及其钾盐(以山梨酸计) 等风险指标,紧盯风险程度高、合格率较低以及消费量大的重点品种,重点抽检食材集中供应超市、食品加工小作坊、小菜铺等不同规模的销售点和餐饮服务单位。共开展了粮食加工品、餐饮食品(含现制现售食品)、复用餐饮具、食用农产品等4大类食品60批次样品,抽样检验合格57批次,合格率为95%。其中:粮食加工品6批次,合格率100%;餐饮食品(含现制现售食品)17批次,合格率100%;复用餐饮具13批次,合格10批次,不合格3批次,合格率77%,不合格率23%;食用农产品24批次,合格率100%。
检验结果信息(见附件)。
附件: 1.粮食加工品监督抽检合格产品信息
2.餐饮食品(含现制现售食品)监督抽检合格 产品信息
3.复用餐饮具监督抽检合格产品信息
4.复用餐饮具监督抽检不合格产品信息
5.食用农产品监督抽检合格产品信息
甘南州市场监督管理局
2022年12月13日
